Cmos Schmitt Trigger Circuit Design . You can use a non inverting input like one from cd4050. The design of the inverting cmos schmitt trigger is as follows :
CMOS Schmitt Trigger Download Scientific Diagram from www.researchgate.net
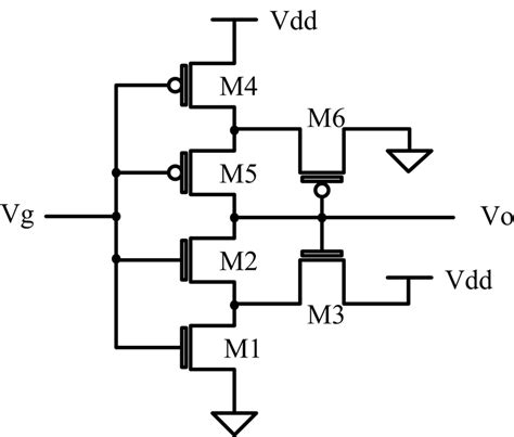
Note that m3 and m5 are indicated as weak, implying that their sizes are smaller than the other transistors. For begining let's suppose that the output of the gate is at low level, near ground. Weste and harris in cmos vlsi design describe the cmos trigger as follows:
CMOS Schmitt Trigger Download Scientific Diagram
The trigger is subdivided into two subcircuits; A very popular schmitt trigger gate ic in the ttl ls family is the 74ls14, which is a set of six inverters, with threshold voltages below 2.5v (which is half the supply voltage). Introduction the cmos schmitt trigger [fig. This repository presents the design of schmitt trigger implemented using synopsys custom compiler tool on 28nm cmos technology.
Source: www.semanticscholar.org
It does not include the circuit behavior near the. When the output is high, n3 turns on. Weste and harris in cmos vlsi design describe the cmos trigger as follows: On the other hand, generally in most applications merely a single schmitt trigger is needed, and it is more affordable to connect a number of inverters to form the circuit.
Source: rifqihama.blogspot.com
This repository presents the analog ic design and implementation of a cmos schmitt trigger circuit. You can use a non inverting input like one from cd4050. The approach is based on studying the transient from one stable state to another when the trigger is in linear operation. Cmos schmitt trigger design with given circuit thresholds is described. The resulting design.
Source: electronics.stackexchange.com
The trigger is subdivided into two subcircuits; All schmitt trigger circuits have been realized using.25um and.18µm cmos The cmos schmitt trigger [fig. Let's see how it works. A very popular schmitt trigger gate ic in the ttl ls family is the 74ls14, which is a set of six inverters, with threshold voltages below 2.5v (which is half the supply voltage).
Source: www.google.com
It can be seen in the result, the charging time of the capacitor is large which affects the. This repository presents the analog ic design and implementation of a cmos schmitt trigger circuit. Thus, the transistors m p3 and m n3 shown in the circuit of fig. The cmos schmitt trigger [fig. Cmos schmitt trigger design with given circuit thresholds.
Source: www.researchgate.net
Design of cmos schmitt trigger. Cmos schmitt trigger and its transfer characteristic between the device sizes in the circuit. Each of them is considered as a passive load for the other. To turn the output low, the pulldown circuit has to activate. The design of the inverting cmos schmitt trigger is as follows :
Source: putriuranusqw.blogspot.com
M4,m6 and the transistors in the second column m3 and m5. I am using the cadence tool with 0.35um technology. Now raising the input voltage v1 from immediately bellow vt+. It does not include the circuit behavior near the. The design of the inverting cmos schmitt trigger is as follows :
Source: www.semanticscholar.org
This allows the relations governing the deviations of the circuit thresholds from their. Cmos schmitt trigger design with given circuit thresholds is described. However, the description is incomplete; The design of the inverting cmos schmitt trigger is as follows : 90nm cmos layout of schmitt trigger.
Source: www.researchgate.net
Cmos, vlsi, schmitt trigger, power consumption, cmos technology. This technique integrates a successive switching threshold shift mechanism with the systematic body contact scheme. On the other hand, generally in most applications merely a single schmitt trigger is needed, and it is more affordable to connect a number of inverters to form the circuit than it is to employ a special.
Source: spuixels.blogspot.com
The voltage v2 = ( r2 x v1 ) / ( r1 + r2 ). The approach is based on studying the transient from one stable state to another when the trigger is in linear operation. Cmos schmitt trigger and its transfer characteristic between the device sizes in the circuit. Now raising the input voltage v1 from immediately bellow vt+..